Disc Check Valve
Conformity To Standard & Codes
| Design & Manufactuting | DIN EN 558-2 |
|---|---|
| Inspection & Testing | API 598 / BS 6755 Part-1 |
| Valve Face to Face | DIN EN 558-2 |
| End Connection | Sandwich between ANSI B16.5 |
Design Features
| Size Range | 15 NB to 150 Nb |
|---|---|
| Pressure Rating | PN 25 / PN 40 |
| Seak Leakage | Class IV (Metal Seated) Class VI (Zero leakage in soft seat) |
| Operation | Self Acting |
| Operating Temp. | -25° C to 200° C Technical |
Technical Specification
Sailent Features
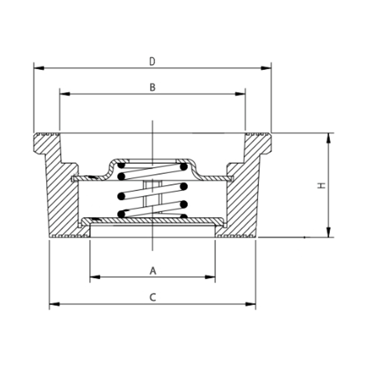
All Dimensions are in mm Unless Specified (150#)
| Size(mm) | A | B | C | D | H |
|---|---|---|---|---|---|
| 15 | 12.5 | 28.5 | 37.5 | 39 | 16 |
| 20 | 20.5 | 36 | 45.5 | 47.5 | 20 |
| 25 | 23 | 44 | 54.5 | 57 | 23 |
| 40 | 38 | 60 | 75.5 | 78 | 32 |
| 50 | 50 | 77 | 93 | 94 | 40 |
| 65 | 64 | 93 | 108 | 110 | 47 |
| 80 | 79 | 114 | 127 | 129 | 50 |
| 100 | 99 | 132 | 147 | 154 | 61 |
Applications
Oil Refineries
Chemical & Solvent Industries
Petro Chemical Industries
Compressed Air Line
Gas Industries
